loading

分享到:

S315K16中国制造的锤头塔起重机

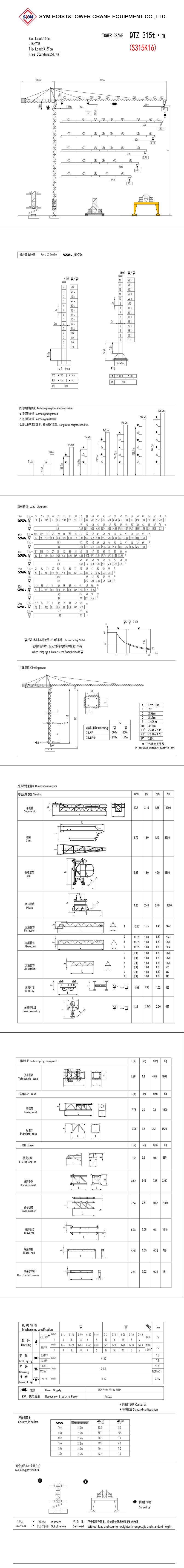
  • 最大负载:16T
  • 吉布长度:70m
  • 提示负载:3.2T
  • 自由站立高度:61.9 m
状态:
数量:
  • S315K16

  • SYM

  • 8426200000

拉夫

Topkit Tower Crane,也称为Hammerhead Tower Crane,是世界上最常见的起重机之一。它们对于精确,准确处理多种重型材料特别可靠。尽管市场上出现了越来越多的裸照式起重机,但Topkit Tower起重机仍被用户广泛使用和认可。

我们提供各种平顶塔起重机(5-64T)。

S315K16塔起重机

Sym Hooist&Tower起重机设备是中国的专业起重机和升降机平台制造商。我们为Tower Crane提供各种原始备件。

我们设计,制造,安装,维修,维护,贸易和出口以下产品:

>
Topkit Tower起重机,裸照塔式起重机,建造起重机 ETC。

>桅杆部分,固定角度,机舱,电动零件等。


我们的优势

1)100%原始零件

2)更多20多个体验

3)保护  我们客户的权利,从预售到售后流程


常问问题

问题1:您是贸易公司还是工厂?
A1:我们是  工厂。

Q2:安装怎么样?
A2:可以将工程师发送到您的网站进行安装和检查。

Q3:您的交货时间多长时间?
A3:通常在预付款后7-15天。


问题4:您是否在交货前测试所有商品?
A4:是的,我们在交货前有100%的测试。

Q5:参观您的工厂是否方便?
A5:是的,我们欢迎每个客户访问我们的公司。我们还供应通过直播访问我们的工厂。

问题6:您有什么证书?
A6:CE,TUV,ISO9001


问题7:我应该在查询中提供哪些信息?

A7:数量,模型


联系我们

上一条: 
下一条: 

快速链接

联系我们
地址 : 沈阳市浑南新区三义街瑞宝东方大厦
电话:0086-24-84317130
网址:www.symtowercrane.com.
电子邮件 :enquiry@symtowercrane.com
你的建议
版权所有2019.SYM提升塔起重机设备有限公司所有权利