loading

分享到:

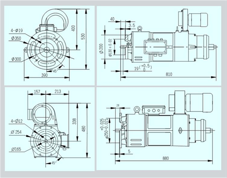
65NM/4KW高质量台车马达

数量:
  • 所有设计

  • SYM, SCM, YONGMAO, ZOOMLION

  • 8431499900

  • 65NM/4KW, 75NM/4KW, 95NM/4KW, 120NM/5.5KW, 185NM/11K

  • 55, 65, 75, 95, 120, 145, 155, 185etc。

  • 24, 26, 30, 34, 40, 54, 58, 68等。

  • 185NM, 120NM, 95NM, 75NM, 65NM

  • 铈; ISO9000 :2000年和SGS

  • 1年

  • 中国(大陆)

产品说明
65NM/4KW台车马达
1表格替换2替换
1company info_副本


上一条: 
下一条: 

快速链接

联系我们
地址 : 沈阳市浑南新区三义街瑞宝东方大厦
电话:0086-24-84317130
网址:www.symtowercrane.com.
电子邮件 :enquiry@symtowercrane.com
你的建议
版权所有2019.SYM提升塔起重机设备有限公司所有权利